Mali toalet - suptilnosti uređenja malog toaleta
Problem slobodnog prostora u stanu je jedan od najhitnijeg. Ponekad u cilju povećanja životnog prostora dizajneri smanjuju veličinu toaleta na minimum. Ovo treba uzeti u obzir prilikom odabira WC školjke, jer gomilanje vodovoda ne zahteva samo puno prostora, već neće izgledati u zatvorenom prostoru.

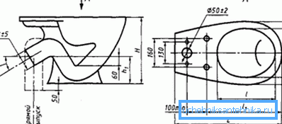
O veličini sanitarnih uređaja
Postoji poseban standard za sanitarne keramičke uređaje, koji pored instalacionih pravila sadrže i podatke o dimenzijama tipičnih modela.
Dakle, prema GOST 30493-96, WC školjke su podeljene u tri grupe po veličini:
- za djecu, veličine male WC školjke su 335, 405 i 290 mm po visini, dužini i širini;
- za modele sa dodatkom police, visina (370, 400 mm) i dužina - 460 mm su standardizovana;
- za modele sa čvrsto oblikovanim policama, norma postavlja dimenzije: dužina - 605 i 575 mm (potrebna je prethodna konsultacija sa klijentom), širina - 340, 360 mm.

Obratite pažnju! Prilikom izbora određenog modela, poželjno je dati prednost varijanti polici od čvrste vlage. Modeli sa priloženom polinom komplikuju proces instaliranja sanitarne opreme.
Ne treba smatrati da gore navedeni zahtevi važe za sve vrste toaleta. Evropski modeli imaju veliki broj veličina. Na primjer, sanitarna oprema velikih ljudi može imati dimenzije od 400x500x850 mm (širina, dužina i visina).
U toaletnim prostorijama malih dimenzija može se koristiti mini toalet, dimenzije takvog sanitarnog uređaja su: dužine - 460-590 mm; u visini - 260-335 mm, pa, širina je jednaka 290-350 mm.

Samostalni ili ugrađeni modeli koji su suspendovani. Dimenzije takvih modela su u opsegu: dužina - 470-580 mm, visina - 390-420 mm, širina - 355-370 mm.
Dešava se da geometrija prostorije zahtijeva uglovno postavljanje sanitarne opreme. U ovom slučaju dimenzije sanitarnog uređaja određuju dimenzije samog ugla. Generalno, dimenzije takvih modela su približno u ovom rasponu: dužina - 725-790 mm, visina - 740-815 mm, širina - 345-375 mm.

Kakav toalet za odabir malih toaleta
Glavno pravilo da toalet treba da odgovara za mali toalet je da to ne bi trebalo da bude previše masivno. Prvo, ovo će uštedjeti dragoceni prostor, a drugo, vizuelno minijaturno uređenje vodovoda neće "pasti" od ukupnog dizajna sobe. Naravno, istovremeno bi trebalo da ostanu prijatne i ne izazivaju neugodnosti.
Zidni WC je lijep i efikasan
Jedan od najboljih načina ubijanja nekoliko ptica jednim kamenom može se smatrati izbor modela visećeg toaleta sa instalacijom. Mali toalet za vješanje će izgledati savršeno u toaletu bilo koje veličine, a sposobnost da sakrije toaletni vodokotlić će imati koristi samo u ukupnom stilu sobe.

To ne završava svoje prednosti. Suspendovani modeli, na primjer, ne zahtijevaju prekid pločica na podu, a čišćenje toaleta postaje mnogo lakše, jer ispod njega nema teško dostupnih mjesta.
Obratite pažnju! Kada kupujete takav sanitarni uređaj, preporučljivo je odmah kupiti instalaciju za njegovu instalaciju. U tom slučaju, okvir je zagarantovan da izdrži opterećenje od odrasle osobe.

Jedini nedostatak ove vrste sanitarnih uređaja može se smatrati prilično visokim troškovima u poređenju sa klasičnim modelima.
Tank zajedno sa instalacionim sistemom koštaće ne manje od 6-7 hiljada rubalja, ako smatramo da je cijena toaletne posude najmanje 2,5-3 hiljada rubalja, lako je ići preko 10 hiljada rubalja.
Nakon instalacije, čini se da je sanitarna oprema pričvršćena direktno na zid i izgleda da je jačina takvog priključka mala. Ovo nije ništa drugo do optička iluzija, jer je sanitarni uređaj pričvršćen za čelični okvir. Dakle, opterećenje od nekoliko stotina kilograma je prilično u snazi od suspendiranog toaleta.
Ako se radovi za instalaciju rade ručno, onda je neophodno obezbediti lak pristup rezervoaru prilikom instalacije instalacije. Problemi sa instaliranim instalacijama u njemu se javljaju često, a pošto je sam rezervoar sakriven od strane particije, neće biti tako lako doći do njega. Pitanje pristupa unutrašnjosti vodokotlića rešeno je postavljanjem prozora za reviziju, u slučaju kvara, dovoljno je samo da ga uklonite, nakon čega možete zamijeniti armaturu iz cisterne.

Konvencionalni i mini toaleti
Na prodaju se mogu naći takozvani dečiji modeli, jedina razlika između njih od običnih modela je manja. Dakle, veličina najmanjih WC-a je 7-8 cm manja od uobičajenih dimenzija.U toaletu, ako planirate da instalirate malu sanitarnu opremu, možda će biti potrebno da bude malo iznad nivoa poda, jer njegova visina možda neće biti dovoljna za odrasle osobe .

Činjenica da se u prodavnicama takvi sanitarni uređaji često nazivaju deca ne čini ih neprikladnim za odrasle osobe. Jedino što treba uzeti u obzir je da je veličina čaše i dalje manja od one obične, pa se za ljude velikog obima takav izbor ne može nazvati optimalnim. Pored toga, blago uže ivice mogu izazvati neugodnost kada se udara u telo.
U tom slučaju, možete instalirati i uobičajeni toalet, a sa cevovodom i kanalizacijskim cevima da se uradite samo - sakri se iza lažnog zida. U maloj sobi dobićete dobar vizuelni efekat. Zbog činjenice da je odvodni rezervoar sakriven iza pregrade, čak i srednji sanitarni uređaj u maloj prostoriji nije preveliki.
Obratite pažnju! Da bi popravka tankog rezervoara nastavila sa mučenjem u lažnom zidu, neophodno je osigurati prozor pregleda.
Uticaj veličine WC školjke na udobnost čoveka
Čak i najobičnija WC školjka sa nepravilnom instalacijom može donijeti puno neugodnosti prilikom korištenja. Takođe, prilikom izbora potrebno je uzeti u obzir dimenzije sanitarnog uređaja.
Uputstvo za izbor sanitarnog uređaja uključuje sljedeće stavke:
- bezel ne sme biti suviše uski. U suprotnom, udariće se u telo, a noge se mogu utrnuti prilikom sjedenja dugo vremena;
- njegove dimenzije treba da budu takve da nakon postavljanja, osoba koja sedi na njemu oseća potpuno opušteno, mišići noge ne bi trebali biti napeti. Što se tiče visine uređaja, to bi trebalo biti takvo da noge ne visijo u vazduhu, već stoje na podu, a kolena savijena pod pravim uglom. Ako koristite mini-toalet, onda ispod njega, možda ćete morati izgraditi mali podijum;

- Na zidovima je zabranjeno postavljanje sanitarnih čvorova. Smatra se da minimalno dozvoljeno rastojanje do vrata treba biti najmanje 0,6-0,7 m, a na zidove sa strane - 0,3 - 0,4 m. U tom slučaju ništa neće ometati kretanje osobe.
Na kraju
Prilikom izbora toaletne posude, ponekad glavni kriterijum nije cena niti izgled, ali njegove dimenzije, ipak, veliki sanitarni uređaj nije pogodan za svaki toalet. Mali toaleti se mogu smatrati univerzalnim rešenjem, takvi uređaji izgledaju odlično iu velikom toaletu i u skromnom toaletu, gde se računa svaki centimetar slobodnog prostora.
Kratki video u ovom članku pokazuje primer instaliranja kompaktnog toaleta u malom kupatilu.